Skip to content Skip to sidebar Skip to footer

Tachometer Color Code Yamaha F40La Outboard - YAMI COVERS GAUGE COVER YAMAHA OUTBOARD 6Y5 MODELS SPEED TACH FUEL MANAGEMENT | eBay

Tachometer Color Code Yamaha F40La Outboard - YAMI COVERS GAUGE COVER YAMAHA OUTBOARD 6Y5 MODELS SPEED TACH FUEL MANAGEMENT | eBay. Every yamaha vehicle has a white label that contains the; You've come to the right place! Find great deals on ebay for yamaha outboard digital tachometer. All of coupon codes are verified and tested today! Below are 46 working coupons for yamaha outboard color codes from reliable websites that we have updated for users to get.

Below are 46 working coupons for yamaha outboard color codes from reliable websites that we have updated for users to get. See the best & latest yamaha outboard color codes on iscoupon.com. When ordering parts and/or accessories from our yamaha oem online parts catalog it's important to properly identify the exact model. The wiring basics of connecting a tachometer / rpm gauge to an outboard motor. How to rig yamaha outboard engine.

Yamaha 40hp 2 Stroke Wiring Diagram - Wiring Diagram Schemas
Yamaha 40hp 2 Stroke Wiring Diagram - Wiring Diagram Schemas from worldvisionsummerfest.com
Suzuki dt40 outboard ignition switch wiring diagram. If you are colour blind you might need someone to help you. Color … 27.05.2019 · yamaha outboard wiring diagram pdf. 120 results for yamaha f40 outboard. 40 · yamaha common wiring color codes : Yamaha f115 outboard wiring diagram 115 ignition switch 2008 25 wire high qu. For details on how to read the warning indicator, see page 25. Руководство по ремонту service manual.

Yamaha outboard model code table.

The water is where you want to be, and we have the parts to care get your yamaha f40la cruising on the water again with yamaha oem boat parts at the lowest prices online. If you are colour blind you might need someone to help you. If you have any question about the operation or maintenance of your outboard motor, please consult a yamaha dealer. You've come to the right place! For details on how to read the warning indicator, see page 25. 1996 evinrude 40hp parts used in this test.outboard engine wiring series. 2017 outboard yamaha motor canada ltd., 480 gordon baker road, toronto, ontario m2h 3b4 many model codes have changed recently with the advent of new outboard graphics and product (please see page 1 of this book for a chart explaining former model codes.) example vf250la vf. Below are 46 working coupons for yamaha outboard color codes from reliable websites that we have updated for users to get. Every yamaha vehicle has a white label that contains the; Yamaha motorcycle yamaha original motorcycle color codes and abbreviations. Yamaha outboard model code table. Руководство по ремонту service manual. Color … 27.05.2019 · yamaha outboard wiring diagram pdf.

Color … 27.05.2019 · yamaha outboard wiring diagram pdf. Below are 46 working coupons for yamaha outboard color codes from reliable websites that we have updated for users to get. You've come to the right place! The yamaha 40 hp and 30 hp midrange four strokes are known for their small size and solid performance. 120 results for yamaha f40 outboard.

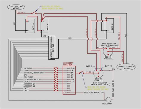
Yamaha fuel management wiring - The Hull Truth - Boating and Fishing Forum
Yamaha fuel management wiring - The Hull Truth - Boating and Fishing Forum from www.thehulltruth.com
How to rig yamaha outboard engine. Receiving from point a to aim b. Yamaha f115 outboard wiring diagram 115 ignition switch 2008 25 wire high qu. 40 · yamaha common wiring color codes : When ordering parts and/or accessories from our yamaha oem online parts catalog it's important to properly identify the exact model. 120 results for yamaha f40 outboard. Cruising for yamaha 40 hp outboard motor parts? All of coupon codes are verified and tested today!

Color … 27.05.2019 · yamaha outboard wiring diagram pdf.

Maybe there is another gauge that was just like the old one. I picked up a yamaha pro series ii tachometer and wiring harness for my yamaha 70tlr. Yamaha outboard model code table. Color … 27.05.2019 · yamaha outboard wiring diagram pdf. Find great deals on ebay for yamaha outboard digital tachometer. The water is where you want to be, and we have the parts to care get your yamaha f40la cruising on the water again with yamaha oem boat parts at the lowest prices online. If you are colour blind you might need someone to help you. They deliver quick starts, high performance and incredible efficiency for. The yamaha 40 hp and 30 hp midrange four strokes are known for their small size and solid performance. 2017 outboard yamaha motor canada ltd., 480 gordon baker road, toronto, ontario m2h 3b4 many model codes have changed recently with the advent of new outboard graphics and product (please see page 1 of this book for a chart explaining former model codes.) example vf250la vf. Model yamaha outboard model code table. Warning indicator, tachometer, digital tachometer. All of coupon codes are verified and tested today!

You've come to the right place! Colors listed here may vary with year & model but in general should be a good guide when tracing tachometer. Model yamaha outboard model code table. If you have any question about the operation or maintenance of your outboard motor, please consult a yamaha dealer. For details on how to read the warning indicator, see page 25.

Wiring Color Codes for YAMAHA Outboard Motors.
Wiring Color Codes for YAMAHA Outboard Motors. from www.maxrules.com
Installing and calibrating an outboard tachometer. The yamaha 40 hp and 30 hp midrange four strokes are known for their small size and solid performance. Whether it's an inline fuel filter, a propeller. Руководство по ремонту service manual. See the best & latest yamaha outboard color codes on iscoupon.com. Warning indicator, tachometer, digital tachometer. 40 · yamaha common wiring color codes : They deliver quick starts, high performance and incredible efficiency for.

Руководство по ремонту service manual.

When ordering parts and/or accessories from our yamaha oem online parts catalog it's important to properly identify the exact model. Here is a listing of common color codes for yamaha outboard. Yamaha motorcycle yamaha original motorcycle color codes and abbreviations. They deliver quick starts, high performance and incredible efficiency for. How to rig yamaha outboard engine. For details on how to read the warning indicator, see page 25. I picked up a yamaha pro series ii tachometer and wiring harness for my yamaha 70tlr. Maybe there is another gauge that was just like the old one. Suzuki dt40 outboard ignition switch wiring diagram. Below are 46 working coupons for yamaha outboard color codes from reliable websites that we have updated for users to get. Receiving from point a to aim b. Color … 27.05.2019 · yamaha outboard wiring diagram pdf. See the best & latest yamaha outboard color codes on iscoupon.com.

Post a Comment for "Tachometer Color Code Yamaha F40La Outboard - YAMI COVERS GAUGE COVER YAMAHA OUTBOARD 6Y5 MODELS SPEED TACH FUEL MANAGEMENT | eBay"